Vòng bi cầu 6002-Z là gì?

Vòng bi 6002-Z (bạc đạn 6002-Z) có đường kính trong 15 mm. Đây là mã vòng bi “quốc dân” trong phân khúc motor nhỏ. Ký hiệu -Z có nghĩa là vòng bi chỉ có 1 nắp sắt. Nếu thiết kế của bạn yêu cầu kín hoàn toàn cả hai mặt để không phải bảo trì mỡ, bạn nên chọn mã 6002-ZZ.
Các loại vòng bi 6002 (Biến thể đầy đủ)

Để thay thế chính xác hoặc nâng cấp cho 6002-Z, bạn có các lựa chọn sau:
-
Biến thể về nắp chặn (Sealing):
-
6002 (Open): Loại hở hoàn toàn, không nắp. Dùng khi lắp trong môi trường ngâm dầu hoặc có dầu tưới liên tục.
-
6002-Z: Có 1 nắp sắt (mã bạn yêu cầu). Phù hợp nếu một mặt được che chắn bởi vách máy.
-
6002-ZZ (hoặc 2Z): Có 2 nắp sắt hai bên. Phổ biến nhất cho môi trường khô, yêu cầu tốc độ cao và tản nhiệt tốt.
-
6002-RS / 2RS (hoặc DDU/LLU): Có 1 hoặc 2 nắp chặn cao su. Chống nước và bụi mịn tuyệt đối, giữ mỡ bôi trơn bên trong trọn đời.
-
-
Biến thể về khe hở kỹ thuật (Clearance):
-
6002/C3: Có độ rơ hướng tâm lớn hơn tiêu chuẩn. Dùng cho các động cơ vòng quay cao hoặc môi trường sinh nhiệt để tránh bó kẹt khi trục giãn nở.
-
-
Biến thể về vật liệu đặc biệt:
-
W 6002 (Stainless Steel): Làm từ thép không gỉ (Inox), dùng trong máy móc thực phẩm, y tế hoặc môi trường dễ ăn mòn.
-
-
Biến thể về vòng cách (Cage):
-
6002-TN9: Vòng cách nhựa Polyamide, giúp vòng bi vận hành siêu êm và giảm trọng lượng đáng kể.
-
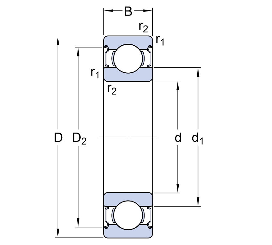
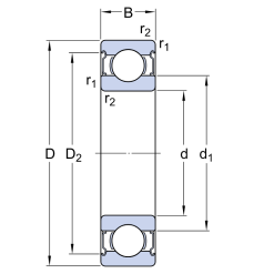
Thông số kỹ thuật chi tiết của vòng bi 6002-Z
Kích thước chuẩn quốc tế của mã 6002 ($15 \times 32 \times 9$ mm):
| Đặc điểm | Thông số chi tiết |
| Đường kính trong (d) | 15 mm |
| Đường kính ngoài (D) | 32 mm |
| Độ dày/Chiều rộng (B) | 9 mm |
| Trọng lượng | ~30 gram |
| Tải trọng tĩnh ($C_0$) | ~2.85 kN |
| Tải trọng động ($C$) | ~5.85 kN |
| Giới hạn tốc độ | 20,000 – 28,000 vòng/phút |
Ưu điểm vượt trội của bạc đạn 6002-Z
-
Thiết kế tinh gọn: Độ dày chỉ 9 mm, cực kỳ phù hợp cho các cụm trục máy thu nhỏ.
-
Độ rung cực thấp: Được gia công với độ chính xác cao, giúp giảm thiểu tiếng ồn, đặc biệt quan trọng cho quạt điện và máy gia dụng.
-
Vận hành mát: Ma sát thấp giúp vòng bi không bị quá nhiệt khi chạy ở tốc độ cao liên tục.
-
Dễ dàng bảo trì: Nắp sắt đơn giúp bạn có thể vệ sinh và thay mỡ mới cho vòng bi mà không cần phá bỏ nắp che.
Ứng dụng thực tế của vòng bi 6002-Z
Kích thước $15 \times 32 \times 9$ mm giúp 6002-Z có mặt trong:
-
Thiết bị điện: Motor quạt bàn, quạt trần, máy hút bụi cỡ trung.
-
Dụng cụ cầm tay: Máy khoan, máy cắt, máy chà nhám công suất vừa.
-
Xe đạp & Xe máy: Bạc đạn đùm xe đạp, một số chi tiết truyền động trên xe máy.
-
Công nghiệp nhẹ: Các con lăn trong hệ thống băng tải nhẹ, máy in, máy đóng gói.
Tại sao nên mua Vòng Bi 6002-Z tại Thiết bị Bảo Ngân?
-
Hàng sẵn kho số lượng lớn: Đầy đủ các thương hiệu SKF, NSK, FAG, KOYO, NTN.
-
Cam kết chính hãng: Đầy đủ giấy tờ chứng minh nguồn gốc xuất xứ (CO, CQ).
-
Giá thành cạnh tranh: Chính sách giá tốt nhất cho các xưởng sửa chữa motor và đại lý.
Thông tin liên hệ:
: Số 8 đường D14A Phường Tây Thạnh, TP.HCM
: C20/45F6 Nguyễn Thị Lê, Ấp 3, Vĩnh Lộc, TP.HCM
: Hotline tư vấn & Báo giá:
- 0901 391 646 – 0979 965 585 Ms Dung
- 0977 278 044 Ms Bằng
- 0974 431 501 Mr Bảo





























Đánh giá
Chưa có đánh giá nào.